搜索
网站首页
关于我们
关于我们
公司简介
资质荣誉
企业文化
产品中心
产品中心
时控开关
液位控制器
光控开关
打铃仪
浪涌保护器
相位检测
过欠压保护器
水泵遥控器
时间继电器
变频器
其它产品
新闻资讯
新闻资讯
公司新闻
行业动态
产品应用
资料下载
联系我们
"navigation"
网站首页
关于我们
公司简介
资质荣誉
企业文化
产品中心
时控开关
液位控制器
光控开关
打铃仪
浪涌保护器
相位检测
过欠压保护器
水泵遥控器
时间继电器
变频器
其它产品
新闻资讯
公司新闻
行业动态
产品应用
资料下载
联系我们
Product Center
产品中心
产品中心
首页
-
产品中心
-
液位控制器
-
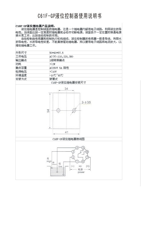
C61F-GP
C61F-GP
详细信息
返回
上一个:
DF96C
下一个:
083A安装座
返回>>
相关产品
DF-96D不带开关 DF-96DK带开关
DF-96D(带透明盖子)
DF-96ABC水位控制器25A
浮球
© 浙江卓邦电气有限公司
浙ICP备11039624号
XML
网站地图
网站后台
微信
咨询
网址二维码
客服
热线
13695711367
客服热线